 |
 |
| |
|
|
|
 |
 |
|
 |
|
|
 |
| |
|
| 产品名称: |
CL型齿式联轴器 |
| 产品类别: |
鼓形齿式联轴器 |
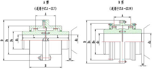
| 尺 寸 图: |
查看
|
|
|
|
| 型号 |
公称扭矩 Tn N·m |
许用转速[n] r/min |
轴孔直径 d1,d2,d3 |
轴孔长度 |
A |
B |
D |
D1 |
D2 |
C |
C1 |
C2 |
e |
转动惯量 kg·m2 |
重量 kg |
| y |
J1 Z1 |
| L |
| mm |
| CL1 |
710 |
3780 |
18,19 |
42 |
30 |
49 |
106 |
170 |
110 |
55 |
16 |
- |
- |
12 |
0.03 |
7.8 |
| 20,22,24 |
52 |
38 |
6 |
18.5 |
18.5 |
| 25,28 |
62 |
44 |
2.5 |
14 |
18.5 |
| 30,32,35,38 |
82 |
60 |
11 |
- |
| 40 |
112 |
84 |
| CL2 |
1400 |
3000 |
30,32,35,38 |
82 |
60 |
75 |
134 |
185 |
125 |
70 |
2.5 |
13 |
22 |
12 |
0.05 |
12.5 |
| 40,42,45 |
112 |
84 |
28 |
| 48,50 |
| CL3 |
3150 |
2400 |
40,42,45 |
112 |
84 |
92 |
170 |
220 |
150 |
90 |
2.5 |
15 |
28 |
18 |
0.13 |
26.9 |
| 48,50,55,56 |
| 60 |
142 |
107 |
36 |
| CL4 |
5600 |
2000 |
45,48,50 |
112 |
84 |
125 |
200 |
250 |
175 |
110 |
2.5 |
21 |
28 |
18 |
0.21 |
34.9 |
| 55,56 |
| 60,63,65,70 |
142 |
107 |
17 |
36 |
| 71,75 |
| CL5 |
8000 |
1680 |
50,55,56 |
112 |
84 |
145 |
220 |
290 |
200 |
130 |
5 |
30 |
40 |
25 |
0.45 |
55.8 |
| 60,63,65,70 |
142 |
107 |
| 71,75 |
| 80,85,90 |
172 |
132 |
| CL6 |
11200 |
1500 |
60,63,65 |
142 |
107 |
160 |
246 |
320 |
230 |
140 |
5 |
25 |
- |
25 |
0.70 |
79.9 |
| 70,71,75 |
| 80,85,90,95 |
172 |
132 |
| 100,110 |
212 |
167 |
| CL7 |
18000 |
1270 |
65,70,71,75 |
142 |
107 |
185 |
286 |
350 |
260 |
170 |
5 |
40 |
40 |
30 |
1.15 |
109.5 |
| 80,85,90,95 |
172 |
132 |
25 |
45 |
| 100,110,120 |
212 |
167 |
| CL8 |
22400 |
1140 |
80,85,90,95 |
172 |
132 |
210 |
325 |
380 |
315 |
190 |
5 |
35 |
45 |
30 |
2.33 |
133.8 |
| 100,110,120,125 |
212 |
167 |
30 |
| 130,140 |
252 |
202 |
| CL9 |
28000 |
1000 |
90,95 |
172 |
132 |
220 |
335 |
430 |
365 |
210 |
5 |
40 |
- |
30 |
3.55 |
171 |
| 100,110,120,125 |
212 |
167 |
30 |
| 130,140,150 |
252 |
202 |
| 160 |
302 |
242 |
| CL10 |
50000 |
850 |
110,120,125 |
212 |
167 |
245 |
365 |
490 |
420 |
260 |
5 |
30 |
- |
30 |
7.00 |
275.8 |
| 130,140,150 |
252 |
202 |
| 160,170,180 |
302 |
242 |
| CL11 |
71000 |
750 |
120,125 |
212 |
167 |
280 |
405 |
545 |
470 |
330 |
5 |
40 |
- |
35 |
13.75 |
385 |
| 130,140,150 |
252 |
202 |
35 |
| 160,170,180 |
302 |
242 |
| 190,200,220 |
352 |
282 |
| CL12 |
100000 |
660 |
140,150 |
252 |
202 |
350 |
485 |
590 |
520 |
340 |
5 |
45 |
- |
35 |
21.25 |
540 |
| 160,170,180 |
302 |
242 |
38 |
| 190,200,220 |
352 |
282 |
| 240,250 |
410 |
330 |
| CL13 |
140000 |
600 |
160,170,180 |
302 |
242 |
375 |
524 |
680 |
590 |
380 |
7.5 |
45 |
- |
40 |
40.00 |
798.3 |
| 190,200,220 |
352 |
282 |
| 240,250,260 |
410 |
330 |
| 280 |
470 |
380 |
| CL14 |
200000 |
540 |
180 |
302 |
242 |
405 |
565 |
730 |
650 |
420 |
7.5 |
50 |
- |
40 |
53.75 |
976.6 |
| 190,200,220 |
352 |
282 |
| 240,250,260 |
410 |
330 |
| 280,300,320 |
470 |
380 |
| CL15 |
250000 |
480 |
200,220 |
352 |
282 |
480 |
644 |
780 |
700 |
480 |
7.5 |
50 |
- |
40 |
81.25 |
1182.5 |
| 240,250,260 |
410 |
330 |
| 280,300,320 |
470 |
380 |
| 340,360 |
550 |
450 |
| CL16 |
355000 |
425 |
240,250,260 |
410 |
330 |
535 |
720 |
900 |
785 |
530 |
10 |
- |
- |
50 |
150 |
1936 |
| 280,300,320 |
470 |
380 |
| 340,360,380 |
550 |
450 |
| 400 |
650 |
540 |
| CL17 |
560000 |
380 |
260 |
410 |
330 |
625 |
800 |
1000 |
885 |
630 |
10 |
- |
- |
50 |
285 |
2700 |
| 280,300,320 |
470 |
380 |
| 340,360,380 |
550 |
450 |
| 400,420,440,450 |
650 |
540 |
| CL18 |
710000 |
330 |
300,320 |
470 |
380 |
710 |
900 |
1100 |
990 |
710 |
10 |
- |
- |
50 |
400 |
3669 |
| 340,360,380 |
550 |
450 |
| 400,420,440,450 |
650 |
540 |
| 460,480,500 |
| CL19 |
1000000 |
300 |
360,380 |
550 |
450 |
730 |
910 |
1250 |
1090 |
800 |
15 |
- |
- |
60 |
675 |
5138 |
| 400,420,440,450 |
650 |
540 |
| 460,480,500 |
800 |
680 |
| 530,560 |
|
|
|
|
|
|
|
|
|
|
|
|
|
|
|
|
| |
|
|
|
|